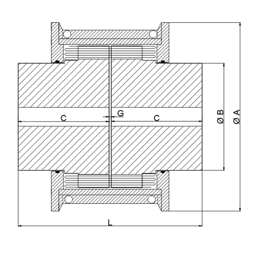
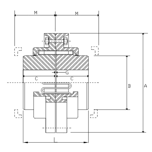
TAPER GRID COUPLING

TAPER GRID COUPLING

Product Name: Taper Grid Coupling
Capacity: High torque transmission with shock-load resistance
Max Speed: Suitable for high RPM operations

  • Compact & robust construction
  • High torque capacity
  • Excellent shock load absorption
  • Accommodates angular, axial & parallel misalignment
  • Easy installation & maintenance
  • Long service life with reduced downtime
T20
T10