CONTINUOUS SLEEVE COUPLING

CONTINUOUS SLEEVE COUPLING

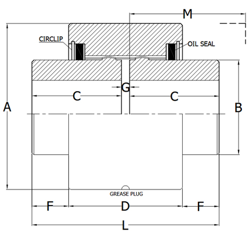
Product Name : FCSC (Continuous Sleeve Coupling)
Capacity : 88800 Nm / 100 rpm
Max Bore : 210 mm

  • Simple and compact design
  • High torque transmission capacity
  • Light in weight compared to torque rating
  • Easy to assemble and dismantle
  • Accommodates Angular, Parallel & Axial Misalignment
  • Suitable for continuous and high-speed applications
  • Operates effectively up to 120°C
SIZE 100-104
SIZE 105-110