Opening Hours - Mon to Sat: 10AM to 6PM
AN ISO 9001:2015 Certified Company
Email Us
flexitech@yahoo.com
Call Us
+917600022095
+919825413995
Home
About Us
Products
Application
Inquiry
Contact Us
FLEXIBLE GEAR COUPLING
Home
FLEXIBLE GEAR COUPLING
Products
FLEXIBLE GEAR COUPLING
RIGID COUPLING
CONTINUOUS SLEEVE COUPLING
BRAKE DRUM GEARED COUPLING
BRAKE DRUM WITH FLEXIBLE GEAR COUPLING
DISC COUPLING
SPACER DISC COUPLING
RESILIENT (GRID) COUPLING
TAPER GRID COUPLING
NYLON COUPLING
CHAIN COUPLING
MUFF COUPLING
FLEXIBLE PIN BUSH COUPLING
FB FLEX COUPLING
BRAKE DRUM PIN BUSH COUPLING
ROTEX TYPE COUPLING
HRC COUPLING
STAR COUPLING
STAR SPACER COUPLING
FLEXIBLE TYRE COUPLING
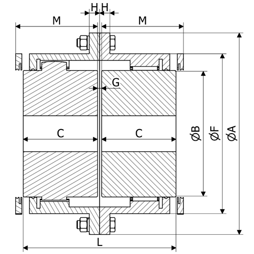
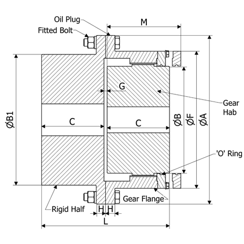
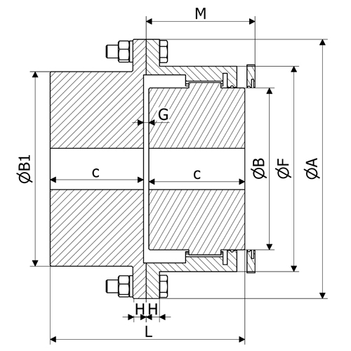
Flexible Gear Coupling
Product Name : FGC / HGC
Capacity : 17454 kw / 100 rpm
Max bore : 710 mm
Less Backlash.
Compact Assembly
Larger Bore capacities.
High Power To Weight Ratio.
Accommodates Angular, Parallel & Axial Misalignment.
Generally used upto 120°C. Can be used for higher temperatures by using proper grade of grease or oil.
FGC 100-110
FGC111-119
HGC 100-110
HGC 111-119